Elco Gasbrenner VECTRON G 4...D
110 - 440 kW
Johann-Gottfried-Galle-Straße 1
06773 Gräfenhainichen
Telefon: 034953-33673
Email: info@allner-haustechnik.net
110 - 440 kW
Elco Gasbrenner VECTRON G 4...D
110 - 440 kW

Ausführung
VECTRON G 4…D E
ELCO Gasbrenner, zwei stufig, für Erd- oder Flüssiggas nach EN 676. Zum Einsatz an Heizkesseln und Warmlufterzeugern. Schadstoffarm bei Erdgas mit NOx < 56 mg/kWh gemäß ErP (EU 813/2013). Voll digitalisierter Feuerungsautomat mit Display für menügeführte Inbetriebnahme, detaillierte Angaben zu Funktionsablauf, Störanalyse und Betriebsstatistik mittels grafischem “elcogram” Informationssystem.
Brennergehäuse mit Abdeckhaube und geräuschgedämpfter Luftansaugführung. Luftmengenregulierung für Zünd-, Teil- und Volllast durch linearisierte Luftklappe mit digital angesteuertem Schrittmotor.
Luftabsperrfunktion zur Energieeinsparung bei Brennerstillstand.
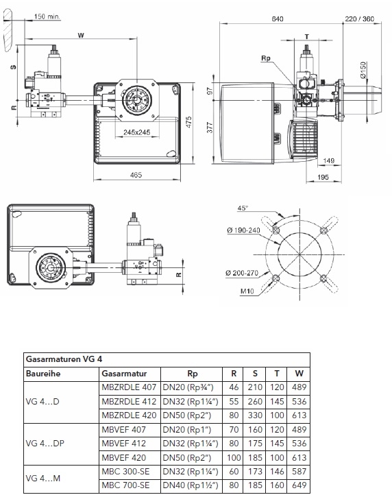
Schadstoffarme Mischeinrichtung mit interner Abgasrückführung. Gaskompaktarmatur, links oder rechts montierbar, mit 2 Gasventilen, Gasdruckregler, Gasdruck wächter und Gasfilter.
Anschlussfertig verdrahtet mit 4/7-poligen Buchsenteilen.
Brennerflansch mit Flanschdichtung und Befestigungsschrauben.
Hinweis:
Brenner mit Sonderfunktion (Nachbelüftung, Dauerbelüftung) auf Anfrage.
Leistungswerte

Daten


Inbetriebnahme durch den Werkskundendienst wird empfohlen!
| Herstellerinformationen | |
| Elco GmbH | |
| Hohenzollernstraße 31 | Mail: info@de.elco.net |
| D-72379 Hechingen | Web: https://www.elco.de |
| Deutschland | |
